D373H高溫蝶閥
D373H高溫蝶閥采用一個“U”型不銹鋼密封圈,該精密的彈性密封圈與經過拋光的蝶板三維偏心接觸。解決了傳統偏心蝶閥在啟閉0°~10°瞬間密封面仍處于滑動接觸摩擦的弊病,實現蝶板在開啟瞬間密封面即分離關閉接觸即密封的效果,達到延長使用壽命、密封性能最佳的目的。
| 產品名稱: | 高溫蝶閥 | 產品型號: | D373H |
| 公稱通徑: | DN50~DN1000 | 閥座密封: | 合金、司太立、不銹鋼 |
| 公稱壓力: | 1.0Mpa~4.0MPa | 連接方式: | 對夾式、法蘭式 |
| 適用溫度: | -20ºC~+150ºC~600ºC | 驅動方式: | 手動、蝸輪、電動、氣動 |
| 閥體材質: | 鑄鋼、不銹鋼 | 制造標準: | 國標GB、德國DIN、美國API、ANSI |
| 適用介質: | 水、油、蒸汽、氣體、粉體、液體 | 生產廠家: | 上海承質閥門制造有限公司 |
| 公稱通徑 | DN(mm) | 50~1200 | ||||
| 公稱壓力 | PN(MPa) | 0.6 | 1.0 | 1.6 | 2.5 | 4.0 |
| 試驗壓力 | 強度試驗 | 0.9 | 1.5 | 2.4 | 3.75 | 6.0 |
| 密封試驗 | 0.66 | 1.1 | 1.76 | 2.75 | 4.4 | |
| 氣密封試驗 | 0.6 | 0.6 | 0.6 | 0.6 | 0.6 | |
| 適用介質 | 水、蒸氣、油品、酸類腐蝕性等。 | |||||
| 適用溫度 | 碳鋼 :-29℃~600℃ 不銹鋼-40℃~600℃ | |||||
| 零件名稱 | 材料 |
| 閥體 | 鑄鐵、鑄鋼、不銹鋼、鉻鉬鋼、合金鋼 |
| 蝶板 | 鑄鋼、合金鋼(鍍硬鉻)、不銹鋼、鉻鉬鋼 |
| 密封圈 | 不銹鋼、聚內脂、抗磨材料 |
| 閥桿 | 2Cr13、1Cr13不銹鋼、鉻鉬鋼 |
| 填料 | 柔性石墨 |
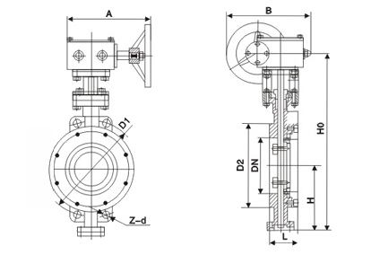
| 公稱通徑 |
結構長度 標準值 |
外形尺寸(參考值) | 連接尺寸(標準值) |
重量 (kg) |
|||||||
| H | H1 | A | B | PN0.6MPa | PN1.0MPa | ||||||
| 毫米 | 英寸 | L | D1 | Z-d | D1 | Z-d | |||||
| 50 | 2 | 43 | 112 | 350 | 180 | 200 | 110 | 4-14 | 125 | 4-18 | 11 |
| 65 | 2-1/2 | 46 | 115 | 370 | 180 | 200 | 130 | 4-14 | 145 | 4-18 | 12 |
| 80 | 3 | 49 | 120 | 380 | 180 | 200 | 150 | 4-18 | 160 | 8-18 | 14 |
| 100 | 4 | 56 | 138 | 420 | 180 | 200 | 170 | 4-18 | 180 | 8-18 | 16 |
| 125 | 5 | 64 | 164 | 460 | 180 | 200 | 200 | 8-18 | 210 | 8-18 | 26 |
| 150 | 6 | 70 | 175 | 555 | 270 | 280 | 225 | 8-18 | 240 | 8-22 | 28 |
| 200 | 8 | 71 | 208 | 605 | 270 | 280 | 280 | 8-18 | 295 | 8-22 | 44 |
| 250 | 10 | 76 | 243 | 680 | 270 | 280 | 335 | 12-18 | 350 | 12-22 | 68 |
| 300 | 12 | 83 | 283 | 800 | 380 | 420 | 395 | 12-22 | 400 | 12-22 | 85 |
| 350 | 14 | 92 | 310 | 835 | 380 | 420 | 445 | 12-22 | 460 | 16-22 | 121 |
| 400 | 16 | 102 | 340 | 915 | 450 | 470 | 495 | 16-22 | 515 | 16-22 | 140 |
| 450 | 18 | 114 | 380 | 960 | 480 | 490 | 550 | 16-22 | 565 | 20-26 | 190 |
| 500 | 20 | 127 | 410 | 1020 | 480 | 490 | 600 | 20-22 | 620 | 20-26 | 260 |
| 600 | 24 | 154 | 470 | 1225 | 480 | 490 | 705 | 20-26 | 725 | 20-30 | 380 |
| 700 | 28 | 165 | 550 | 1355 | 640 | 660 | 810 | 24-26 | 840 | 24-30 | 450 |
| 800 | 32 | 190 | 640 | 1470 | 640 | 660 | 920 | 24-30 | 950 | 24-33 | 650 |
| 900 | 36 | 203 | 710 | 1545 | 750 | 860 | 1020 | 24-30 | 1050 | 28-33 | 830 |
| 1000 | 40 | 216 | 770 | 1795 | 850 | 900 | 1120 | 28-30 | 1160 | 28-36 | 1050 |
| 1200 | 48 | 254 | 890 | 1965 | 850 | 900 | 1340 | 32-33 | 1380 | 32-39 | 1400 |
| 公稱通徑 |
結構長度 標準值 |
外形尺寸(參考值) | 連接尺寸(標準值) |
重量 (kg) |
|||||||
| H | H1 | A | B | PN1.6MPa | PN2.5MPa | ||||||
| 毫米 | 英寸 | L | D1 | Z-d | D1 | Z-d | |||||
| 50 | 2 | 43 | 112 | 350 | 180 | 200 | 125 | 4-14 | 125 | 4-18 | 11 |
| 65 | 2-1/2 | 46 | 115 | 370 | 180 | 200 | 145 | 4-14 | 145 | 8-18 | 12 |
| 80 | 3 | 49 | 120 | 380 | 180 | 200 | 160 | 8-18 | 160 | 8-18 | 15 |
| 100 | 4 | 56 | 138 | 420 | 180 | 200 | 180 | 8-18 | 190 | 8-22 | 17 |
| 125 | 5 | 64 | 164 | 460 | 180 | 200 | 210 | 8-18 | 220 | 8-26 | 27 |
| 150 | 6 | 70 | 175 | 555 | 270 | 280 | 240 | 8-22 | 250 | 8-26 | 29 |
| 200 | 8 | 71 | 208 | 605 | 270 | 280 | 295 | 12-22 | 310 | 12-26 | 45 |
| 250 | 10 | 76 | 243 | 680 | 270 | 280 | 355 | 12-26 | 370 | 12-30 | 69 |
| 300 | 12 | 83 | 283 | 825 | 380 | 420 | 410 | 12-26 | 430 | 16-30 | 86 |
| 350 | 14 | 92 | 310 | 900 | 380 | 420 | 470 | 16-26 | 490 | 16-33 | 122 |
| 400 | 16 | 102 | 340 | 980 | 450 | 470 | 525 | 16-30 | 550 | 16-36 | 141 |
| 450 | 18 | 114 | 380 | 1030 | 480 | 490 | 585 | 20-30 | 600 | 20-36 | 191 |
| 500 | 20 | 127 | 410 | 1105 | 480 | 490 | 650 | 20-33 | 660 | 20-36 | 260 |
| 600 | 24 | 154 | 470 | 1310 | 480 | 490 | 770 | 20-36 | 770 | 20-39 | 380 |
| 700 | 28 | 165 | 550 | 1435 | 640 | 660 | 840 | 24-36 | 875 | 24-42 | 450 |
| 800 | 32 | 190 | 640 | 1605 | 640 | 660 | 950 | 24-39 | 990 | 24-48 | 650 |
| 900 | 36 | 203 | 710 | 1745 | 750 | 860 | 1050 | 28-39 | 1090 | 28-48 | 830 |
| 1000 | 40 | 216 | 770 | 1885 | 850 | 900 | 1170 | 28-42 | 1210 | 28-56 | 1050 |
| 1200 | 48 | 254 | 890 | 2105 | 850 | 900 | 1390 | 32-48 | 1420 | 32-56 | 1400 |
| 公稱通徑 |
結構長度 標準值 |
外形尺寸(參考值) |
連接尺寸 標準值 |
|||||
| H | H1 | A | B | PN40MPa | ||||
| 毫米 | 英寸 | L | D1 | Z-d | ||||
| 50 | 2 | 43 | 112 | 350 | 180 | 200 | 125 | 4-14 |
| 65 | 2-1/2 | 46 | 115 | 370 | 270 | 280 | 145 | 8-18 |
| 80 | 3 | 49 | 120 | 380 | 270 | 280 | 160 | 8-18 |
| 100 | 4 | 56 | 138 | 420 | 270 | 280 | 190 | 8-22 |
| 125 | 5 | 64 | 164 | 460 | 380 | 420 | 220 | 8-26 |
| 150 | 6 | 70 | 175 | 555 | 380 | 420 | 250 | 8-26 |
| 200 | 8 | 71 | 208 | 605 | 450 | 470 | 320 | 12-30 |
| 250 | 10 | 76 | 243 | 680 | 450 | 470 | 385 | 12-33 |
| 300 | 12 | 83 | 283 | 825 | 450 | 470 | 450 | 16-33 |
| 350 | 14 | 92 | 310 | 900 | 480 | 490 | 510 | 16-36 |
| 400 | 16 | 102 | 340 | 980 | 480 | 490 | 585 | 16-39 |
| 450 | 18 | 114 | 380 | 1030 | 640 | 660 | 610 | 20-39 |
| 500 | 20 | 127 | 410 | 1105 | 640 | 660 | 670 | 20-42 |




|
聲明:【D373H高溫蝶閥】規格型號、結構尺寸由上海承質閥門制造有限公司提供,如何選擇適用的D373H高溫蝶閥產品,使之在工藝控制中安全可靠、經濟適用,可致電我司銷售部門及技術部門,我們將在最短的時間內為您解答! |