
船用中心型法蘭氣動蝶閥GB/T3036-1994,生產標準:JIS日標、DIN德標、ANSI美標、GB國標、CB船標,公稱通徑DN50-DN500,公稱壓力PN6-PN16,法蘭標準:GB596 GB2501 閥體材質:鑄鋼、球墨鑄鐵QT450、不銹鋼SUS、青銅BZ,閥板材質:不銹鋼SUS,青銅BZ,閥座:丁晴橡膠NBR、三元乙丙橡膠EPDM,氟橡膠FKM。
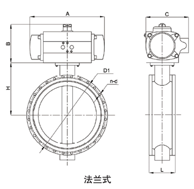
閥 體
公稱通徑:DN40-DN1000
閥體材質:球墨鑄鐵、304、316
連接方式:對夾式、法蘭式、凸耳對夾式
壓力等級:PN1.0MPa、PN1.6MPa
結構形式:中線結構
閥內組件
閥座密封:EPDM:-30℃~120℃
NBR :-30℃~80℃
PTFE:-30℃~140℃
VITON:-30℃~150℃
閥板材質:球墨鑄鐵鍍鎳、尼龍涂層、鋁青銅、304、316
316L、1.4529、2507
閥桿材質:不銹鋼410、304
適用介質:水、液體、氣體、油類、粉體、蒸汽、酸堿腐蝕性介質。
氣動執行器
雙作用: 通氣開、通氣關,氣源故障保持當前位置
單作用氣開式: 通氣開、斷氣關,氣源故障關閉
單作用氣關式: 通氣關、斷氣開,氣源故障打開
可選附件: 換向電磁閥、限位開關、空氣過濾減壓閥、電氣定位器、手輪機構、保位閥
電氣部分可以選防爆


聲明:
本文中所有文字、數據、圖片均只適用于參考。需要查看更多的船用中心型法蘭氣動蝶閥性能參數、結構尺寸參數、價格等詳情,或要求高質量印刷樣本,請聯系我們。
· 電話:18717746989
· 郵箱:sales@shczvalve.com
承質訂貨須知:
一、A:產品名稱、型號、公稱通徑B:介質及溫度、壓力范圍C:是否有附件、交貨期、特殊要求等以便我們的為您正確選型。
二、若已經由設計單位選定我公司的閥門型號,請您根據閥門參數直接與我們銷售中心訂購。
三、當您使用的場合非常重要或環境比較復雜時,請您提供設計圖紙和詳細參數,我們的工程師專家會為您審核與分析。我們可以為您提供解決方案,包括設計、定做、成套、運行、服務。我們一直致力于閥門行業領域,為您提供船用閥門知識、服務、技術顧問。
感謝您訪問我們的網站【m.bullfull.com】,如有任何疑問,您可以致電給我們,我們一定會盡心盡力為您提供服務。本廠提供船用蝶閥、船用閘閥、船用止回閥、船用調節閥、船用減壓閥、船用呼吸閥、高速透氣閥、船用快關閥、船用自閉閥、船用旋塞閥、船用消防閥、船用通海閥、船用防浪閥、船用濾器、船用空氣帽、船用球閥、船用截止閥、船用截止止回閥、船用閥組、船用截止閥箱、船用針型閥、船用電磁閥、船用隔膜閥、船用壓力表閥等各類船用閥門,不銹鋼閥門。