
| 設計標準 | GB/T3036;CB/T 4173 |
|---|---|
| 法蘭連接尺寸 | GB/T9113.1-2000;GB/T9115.1-2000;JB78;CB-67 |
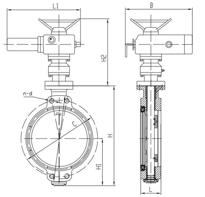
| 結構長度 | GB/T12221-1989 |
| 壓力試驗 | GB/T13927-2000;JB/T9092-1999 |
|
SP系列精小型電動執行機構技術參數
|
閥 體 參 數
|
||
|
電 源
|
AC110、220、380V/DC24
|
公稱通徑
|
DN40~1200mm
|
|
輸出力矩
|
50N·M~2000N·M
|
公稱壓力
|
PN0.6、1.0、1.6Mpa
|
|
任選功能
|
開關型、無源觸點型、閥位信號反饋型、智能調節型
|
閥軸材質
|
碳素鋼、304/316/316L不銹鋼
|
|
動作范圍
|
0~90°±5°
|
閥體材質
|
球墨鑄鐵、碳素鋼、合金鋼、不銹鋼
|
|
動作時間
|
9秒/15秒/30秒/60秒
|
閥板材質
|
球墨鑄鐵、碳素鋼、合金鋼、不銹鋼
|
|
環境溫度
|
-30°~80°
|
閥座密封
|
橡膠等
|
|
手動操作
|
附帶手柄操作
|
結構形式
|
中線對夾式
|
|
限 位
|
電氣、機械二重限位
|
適用溫度
|
≤120℃
|
|
防護等級
|
IP-67(防爆外殼:ExdⅡ BT4)
|
適用介質
|
水、氣、油品及弱腐蝕性流體
|
|
輸入信號
|
輸入信號4-20mA,1-5V,0-10V;輸出信號:4-20mA,1-5V,0-10V
|
特 點
|
零泄漏、壽命長
|
|
公稱通徑DN(mm)
|
40~1200
|
||
|
公稱壓力PN(MPa)
|
0.6
|
1.0
|
1.6
|
|
密封試驗(MPa)
|
0.66
|
1.1
|
1.76
|
|
強度試驗(MPa)
|
0.9
|
1.5
|
2.4
|
|
適用溫度
|
丁腈橡膠:-40℃~90℃,氟橡膠:-20℃~180℃
|
||
|
適用介質
|
水、空氣、天然氣、油品及弱腐蝕性等流體介質
|
||
|
泄 漏 率
|
符合GB/T13927-92標準
|
||
|
驅動方式
|
蝸輪傳動、電動、氣動、液動
|
||


聲明:
本文中所有文字、數據、圖片均只適用于參考。需要查看更多的船用日標電動蝶閥 F7480性能參數、結構尺寸參數、價格等詳情,或要求高質量印刷樣本,請聯系我們。
· 電話:18717746989
· 郵箱:sales@shczvalve.com
承質訂貨須知:
一、A:產品名稱、型號、公稱通徑B:介質及溫度、壓力范圍C:是否有附件、交貨期、特殊要求等以便我們的為您正確選型。
二、若已經由設計單位選定我公司的閥門型號,請您根據閥門參數直接與我們銷售中心訂購。
三、當您使用的場合非常重要或環境比較復雜時,請您提供設計圖紙和詳細參數,我們的工程師專家會專心為您審核與分析。我們可以為您提供解決方案,包括設計、定做、成套、運行、服務。我們一直致力于閥門行業領域,為您提供閥門知識、服務、技術顧問。
感謝您訪問我們的網站【http://m.bullfull.com】,如有任何疑問,您可以致電給我們,我們一定會盡心盡力為您提供服務。本廠提供船用蝶閥、船用閘閥、船用止回閥、船用調節閥、船用減壓閥、船用呼吸閥、高速透氣閥、船用快關閥、船用自閉閥、船用旋塞閥、船用消防閥、船用通海閥、船用防浪閥、船用濾器、船用空氣帽、船用球閥、船用截止閥、船用截止止回閥、船用閥組、船用截止閥箱、船用針型閥、船用電磁閥、船用隔膜閥、船用壓力表閥等各類閥門